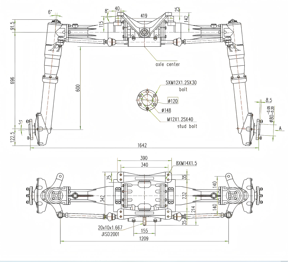
Spraying Locomotive Front Drive Axle
1. The gear drive with three grades offers a diverse set of transmission ratios.
2. The main reducer, which employs Gleason bevel gears, has high transmission efficiency and low noise levels.
3. Intermediate transmission and final output utilize a straight - tooth bevel gear transmission structure, which is both reasonable and compact.
4. By adding a side transmission shaft structure, the ground clearance is increased, thus expanding the passing ability.
5. The entire loading housing, made from high - grade ductile iron, has high load - bearing capacity and good rigidity.
6. The design with front and rear double swing frames is equipped to reduce the vehicle's center of gravity, enhancing the vehicle's safety and reliability.
7. It is appropriate for 25 - 35 PS self - propelled spray boom sprayers.
Introduction:
This self - propelled boom sprayer boasts an outstanding transmission system. With a three - stage gear drive, it offers a diverse range of transmission ratios, catering to various operational requirements. The main reducer, utilizing Gleason bevel gears, ensures high - efficiency and low - noise operation, running smoothly and quietly. The straight - tooth bevel gear structure for intermediate and end - stage transmissions is compact and rational.The addition of a side transmission shaft increases the ground clearance, enhancing the sprayer's passability. The heavy - duty housing, made of high - grade ductile iron, is robust, durable, and has a high load - bearing capacity. The front and rear double - swing frame design lowers the center of gravity, significantly improving the vehicle's driving safety and stability. It is an ideal choice for 25 - 35 - horsepower self - propelled boom spraying operations.
Main technical parameters:
Total transmission Ratio | 21.43 |
Angle of turning | 25° |
Steering cylinder stroke | 67.5mm |
Max. working pressure | 16Mpa |
Oil request for driving axle (API standard) |
GL-5; 85W/90 Gear oil ( above -12°C)
|
Spline parameter of input shaft | M=1.667 Z=10 X=0.8 |




