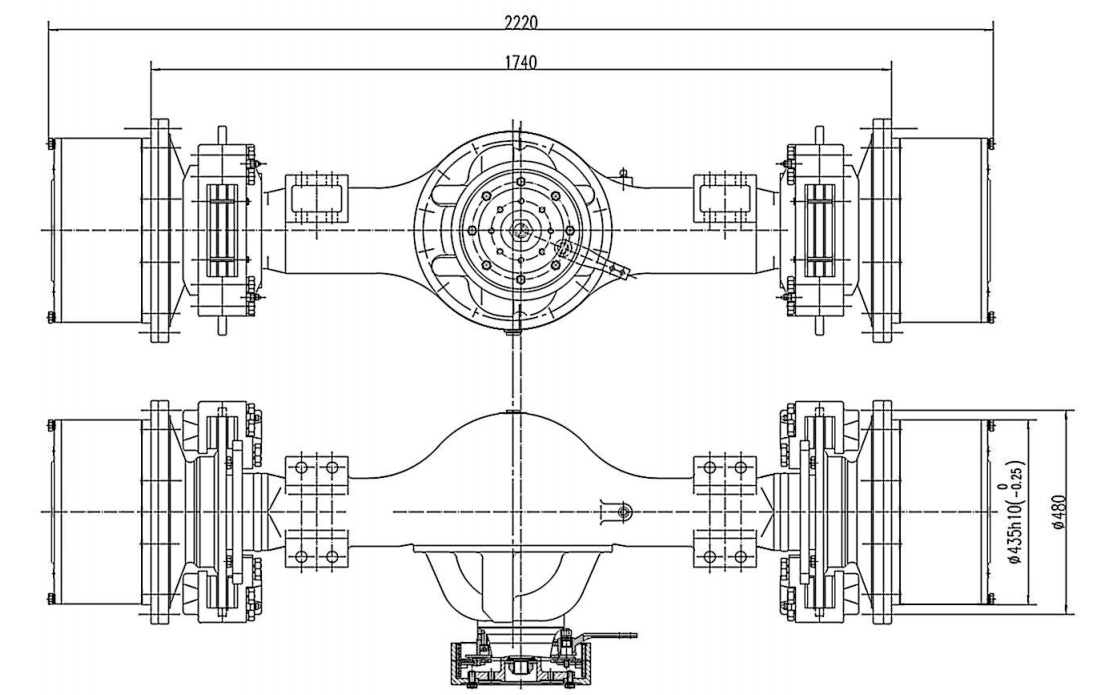
23 Ton Road Roller Drive Axle
1. The main reducer featuring Gleason bevel gear achieves high transmission efficiency and low noise levels.
2. The NGW-type planetary gear transmission boasts a reasonable and compact structural design.
3. The steel casting axle housing offers high load capacity and rigidity, with multiple connection size options available.
4. The service brake equipped with a disc-caliper-type braking system ensures substantial brake torque and reliable performance.
5. The parking brake utilizing a drum brake design guarantees braking safety and dependability.
6.This solution is designed for 19-23 ton road rollers, ensuring compatibility with this equipment class.
Introduction:
23 ton road roller drive axle is engineered for 23-ton vibratory road rollers, adopting a two-stage reduction gear transmission structure. The axle housing is fabricated from cast steel material. The main reduction system employs Gleason spiral bevel gear drive, while the wheel-side transmission utilizes an NGW-type planetary reduction gear mechanism. The service braking system is equipped with caliper disc brakes, supplemented by a drum brake configuration for parking safety.
Main technical parameters:
Total transmission Ratio | 27.75 |
Maximum input torque | 5000N.m |
Load each axle | 23000Kg |
Braking oil pressure | 9.8MPa |
Braking moment | 9660N.m |
Oil request for driving axle (API standard) | GL-5:85W/90 Gear Oil (above -12℃) |
Oil request for brake: | Synthetic brake fluid of DOT3 or 719, not allow mix! |




